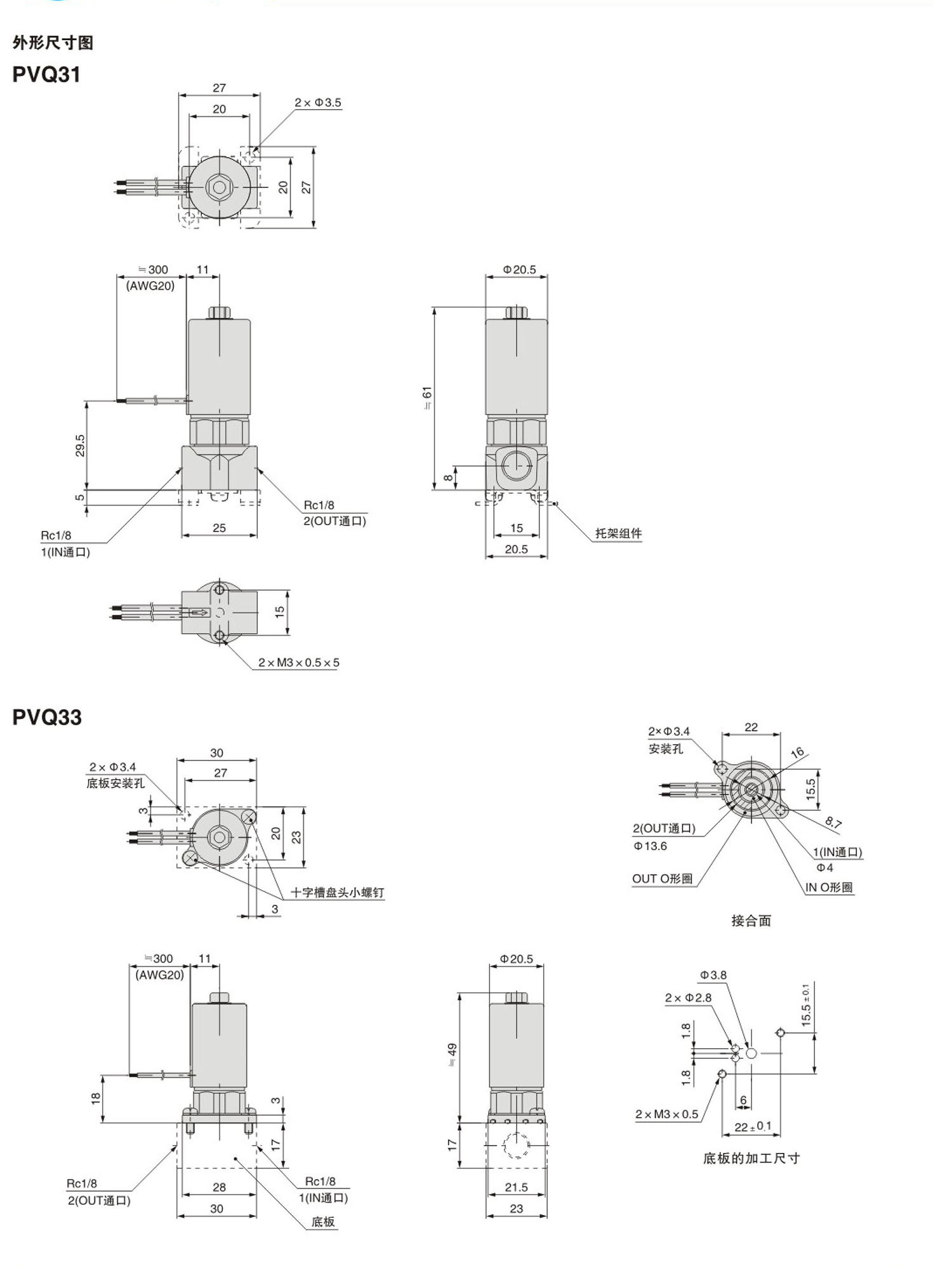
PVQ30系列小型电气比例控制阀

产品中心

PVQ30系列小型电气比例控制阀

PVQ30系列小型电气比例控制阀

如果您有任何问题可以联系我们!

点击
隐藏

电话
咨询

0577-62705280
客服热线